KRS-31 PN 16
Flanşlı Mafsallı
Açısal kompansatörler, boru hatlarında meydana gelen ısıl genleşmeleri kontrol altına almak amacıyla tasarlanmış, özel hareket kabiliyetine sahip genleşme elemanlarıdır. Bu kompansatörler, oluşan eksenel genleşmeyi boru eksenine dik bir düzlemde açısal harekete dönüştürerek sistemdeki genleşmeyi güvenli bir şekilde absorbe eder. Bu sayede, boru hattının yapısal bütünlüğü korunur ve termal streslerin olumsuz etkileri minimuma indirilir.
Açısal kompansatörler, çoğunlukla tek eksende (örneğin boru hattına dik yönde) açısal hareketleri karşılamak üzere kullanılır. Ancak özel tasarımlarda, birden fazla yönde oluşabilecek hareketlerin emilmesi de mümkündür. Bu yönüyle, sistemin ihtiyacına uygun esnek çözümler sunar ve geniş uygulama alanlarında kullanılabilir.
İki veya daha fazla açısal kompansatörün birlikte kullanıldığı sistem kombinasyonları, özellikle uzun mesafeli hatlarda ve yüksek genleşme değerlerinin oluştuğu uygulamalarda yüksek performans sağlar. Bu kombinasyonlar sayesinde çok büyük miktarda termal genleşmenin güvenli ve kontrollü bir şekilde emilmesi mümkün hale gelir.
Ayrıca, sabit noktalar ve yön değiştirme elemanları ile birlikte kullanıldığında, sistemin dayanıklılığı ve servis ömrü önemli ölçüde artırılır.
Teknik Bilgi
Standart Üretim : AISI 321 – DIN 1.4541
Özel Üretim : AISI 304 (DIN 1.4541), AISI 309 (DIN 1.4828), AISI 316 (DIN 1.4401), AISI 316 ti (DIN 1.4571) vs
Dizayn Basıncı : 16 BAR
Dizayn Sıcaklığı : – 196 + 550 C
Standart Flanş : Rst 37-2 (DIN 1.0038)
Özel Flanş : Paslanmaz Çelik DIN – BS – EN – ANSI vs.
Standart Mafsal : Rst 37-2 (DIN 1.0038)
Özel Mafsal : AISI 304 (DIN 1.4541), AISI 309 (DIN 1.4828), AISI 316 (DIN 1.4401), AISI 316 ti (DIN 1.4571) vs
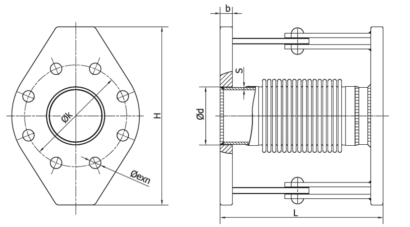
Teknik Çizim

Uygulamalar
Yanal kompansatörler, boru sistemlerinde oluşan yanal hareketleri absorbe ederek, sistemdeki gerilimi ve titreşim kaynaklı gürültüyü azaltır. Tüm makineler, motorlar, pompalar, endüstriyel proses hatları, egzoz sistemleri, gaz ve su tesisatları ile içme suyu uygulamalarında güvenle tercih edilir.
Boya Bilgisi
Tüm boyun, mafsal ve flanş parçaları, her ölçüde korozyona karşı özel koruyucu boya ile kaplanmıştır. Bu kaplama, özellikle dış ortam etkilerine maruz kalan sistemlerde uzun süreli dayanıklılık sağlar. Yüzey işlemleri, kalite ve güvenlik standartlarına uygun olarak titizlikle uygulanmaktadır.
Özel Not
Tasarım sıcaklıkları talep doğrultusunda +950 °C’ye kadar çıkabilmektedir. Özel çalışma şartları için lütfen teknik ekibimizle iletişime geçiniz. Flanş ölçüleri için “Faydalı Teknik Tablolar” bölümünü inceleyebilirsiniz. Ürün ağırlıkları %10 toleranslıdır.
DN ø | L mm | ø d mm | ø Do mm | +/- AX mm | AX N/mm | KEA cm² | Flanş Dış Çap D mm | Flanş Delik Merkezi k mm | Flanş Kalınlığı b mm | Flanş Delik Adedi n | Delik Çapı e mm | Yaklaşık Ağırlık Kg Kg |
| 25 | 120 | 36 | 45 | 10 | 86 | 12 | 115 | 85 | 16 | 4 | 14 | 2,70 |
| 32 | 130 | 44 | 53 | 15 | 60 | 18 | 140 | 100 | 16 | 4 | 18 | 4,10 |
| 40 | 130 | 50 | 62 | 15 | 60 | 24 | 150 | 110 | 16 | 4 | 18 | 4,10 |
| 50 | 150 | 61 | 77 | 17 | 88 | 37 | 165 | 125 | 18 | 4 | 18 | 5,10 |
| 65 | 160 | 77 | 97 | 19 | 89 | 58 | 185 | 145 | 18 | 4 | 18 | 7,20 |
| 80 | 170 | 90 | 115 | 24 | 80 | 82 | 200 | 160 | 20 | 8 | 18 | 8,00 |
| 100 | 175 | 117 | 146 | 24 | 89 | 134 | 220 | 180 | 20 | 8 | 18 | 10,00 |
| 125 | 195 | 142 | 170 | 26 | 68 | 192 | 250 | 210 | 22 | 8 | 18 | 8,00 |
| 150 | 220 | 169 | 199 | 26 | 130 | 265 | 285 | 240 | 22 | 8 | 22 | 17,00 |
| 200 | 220 | 220 | 254 | 36 | 158 | 442 | 340 | 295 | 24 | 12 | 22 | 26,00 |
| 250 | 235 | 275 | 315 | 27 | 230 | 683 | 405 | 355 | 26 | 12 | 26 | 37,00 |
| 300 | 320 | 328 | 393 | 23 | 665 | 1019 | 460 | 410 | 28 | 12 | 26 | 52,00 |
| 350 | 320 | 365 | 419 | 23 | 713 | 1205 | 520 | 470 | 30 | 16 | 26 | 73,00 |
| 400 | 330 | 410 | 476 | 20 | 812 | 1538 | 580 | 525 | 32 | 16 | 30 | 91,00 |
| 450 | 340 | 460 | 526 | 20 | 919 | 1897 | 640 | 585 | 32 | 20 | 30 | 117,00 |
| 500 | 350 | 508 | 569 | 20 | 1009 | 2273 | 715 | 650 | 34 | 20 | 33 | 142,00 |



